Lacerta Optics Logo
LACERTA GmbH | Wien | Linz
 
BBlogger   Facebook   Instagram   YouTube   Newsletter   EN   HU   DE  
Lacerta Optics Logo
LACERTA GmbH | Wien | Linz
 

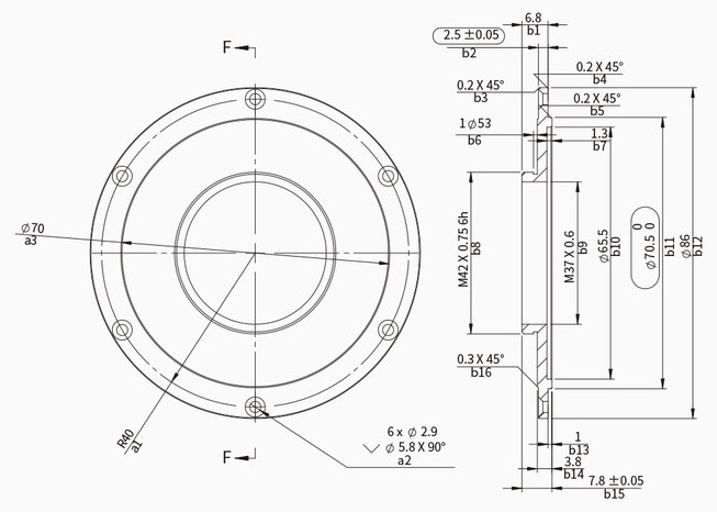
ZWO CAA T2-Adaptor
(ZWO: CAA-M42)


statt 69.00, jetzt nur
64.90 EUR
(Bruttopreise sind mit 19% bzw. 7% MWSt kalkuliert. Sollte die MWSt in Ihrem Land höher sein, übernimmt LACERTA GmbH die Differenz.)
zzgl. Versand
 




 
Marke:  ZWO
Connection (object side): CAA
Connection (observer side): T2pos
Versandgewicht:  1kg (Versandkosten)

Lieferbarkeit
(Der Lagerbestand dient nur zur Information und beinhaltet auch bereits reservierte Exemplare)
Wien: Wir bestellen gerne für Sie!
Linz: nur noch 1 Stk.
Lager: geringe Stückzahl
Öffnungszeiten

Woanders billiger? weiter...
Wir empfehlen auch:
ZWOCAAM54
434.90 EUR
 
ZWOEFW7...
358.60 EUR
 

T2-Adapter für den ZWO CAA Kamerarotator, wird z.B. bei Verwendung der 7x36 Filterräder benötigt.


Wir empfehlen auch:
ZWOCAAM54 ZWO CAA 434.90 EUR
 
ZWOEFW7x36II ZWO EFW 7x36 mark II motorized filterwheel 7 positions 36mm unmounted filters, for ASI2600MM Pro 358.60 EUR
 

SUPPORT

Video

Fotos